- product -
产品介绍:1、产品特点● 本装置可根据用户系统需求,提供*的过电压保护方案(因此在产品设计时,用户需提供详 细的系统结构和参数);● 可有效地消除系统过电压保护死区;● 具有*的能容,能有效的钳制系统过电压并吸收系统过电压发生时产生的大量能量;● 具有过电压、……
1、产品特点
● 本装置可根据用户系统需求,提供*的过电压保护方案(因此在产品设计时,用户需提供详 细的系统结构和参数);
● 可有效地消除系统过电压保护死区;
● 具有*的能容,能有效的钳制系统过电压并吸收系统过电压发生时产生的大量能量;
● 具有过电压、低电压、失压、PT 断线等保护功能,性价比高;具有常规 PT 柜的所有功能, 可直接取代 PT 柜。
● 采用瞬间恢复技术,在系统单相接地故障消除后,可以有效的抑制通过 PT 的对地电容冲击电 流,保护 PT 和高压熔断器不被烧毁;
● 采用微机 DSP 技术实现电网消谐,能快速、准确的对连续 0~300Hz 谐振进行判断,实现快速 消谐功能; ● 具有二次消谐与一次消谐切换的功能,消除二次消谐长时间动作对 PT 造成的熔断器熔断或烧 毁的风险。
● 装置适用范围广泛,并具有拓展功能,可选配小电流选线、PT 切换等功能,投运、维护简单、 方便。
2、适用范围
GYYZ 适合用于发电、变电和用电企业的 3~35kV 电力系统,并可替代电压互感器柜、专用避雷 器柜等。
3、产品型号及技术参数

● 额定电压(kV):3、6、10、13.8、20、24、35kV
● 额定频率(Hz):50/60
● 2ms 方波冲击电流(A):1600、2400、3200(根据系统方案确定) 陕西古源电力科技有限公司陕西古源电力科技有限公司
● 附加功能:X 为小电流选线功能;P 为 PT 切换功能
● 控制器参数:电源电压:AC/DC 220V;DC110V
● 通讯接口:RS485 与 CAN 接口
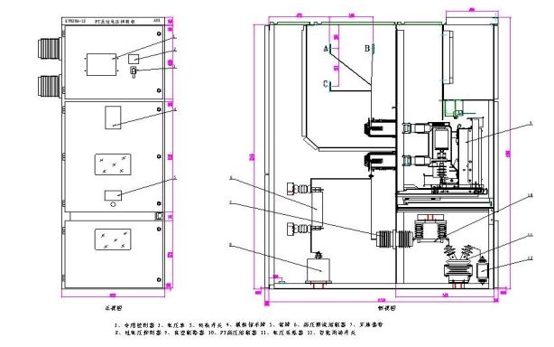
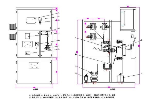
4、抑制柜一次原理图

5、抑制柜外形结构示意图及安装尺寸
● 手车式

● 固定式

6、使用环境
● 使用环境:-30℃~+60℃
● 大气压力:80——110kPa
● 空气相对湿度:90%(25℃)、50%(40℃)
● 海拔高度:≤2000m,特殊要求可达 4000M
● 安装地点应具有防御风、雨、沙和防尘设施。
● 使用地点不得有爆炸危险的介质,周围介质不得含有腐蚀和破坏绝缘的导电介质或气体,不允 许环境充满蒸气及含有较严重霉菌存在。
7、包装、运输、储存
● 一般采用木箱包装,柜体底部应固定在包装箱底板上。断路器手车(以及 PT 手车)应单独包 装,严禁推入柜内一起包装。只有在柜体安装完毕后再推入。
● 不宜在三级以下公路上长距离运输。
● 长期不用时,应储存在干燥、通风的仓库内。不宜长期在户外存放。
8、安装、调试、维护
● 如用户需要,本公司可负责现场指导安装及调试服务,用户提供必要的配合与协作。
● 用户在遵守保管及使用规则的情况下,从投入运行之日起 12 个月内,或从发货之日起 18 个月 内(以先到期限为准),产品由于质量原因而发生损坏或不能正常工作,制造厂为用户更换或维修。
● 本公司对公司的产品提供*维护,对使用我公司产品的客户长期按成本价优惠提供备品、备 件。
9、订货须知
● 用户应提供相关的系统额定电压,系统*大单相的接地电容电流,作为制造厂的设计依据。
● 柜体的尺寸,由我公司技术人员设计,经用户签字确认以后,方能*终确定。
● 用户应明确装置的功能(包括基本功能和可选功能),如有特殊要求在订货时提出。
● 需要其他额外附件或备件,应在订货时注明名称、规格和数量。 陕西古源电力科技有限公司
返回顶部